LUCAS: VRLA - AGM et GEL - Deep-cycle

La gamme LUCAS VRLA AGM est une gamme complète de batteries stationnaires haut de gamme AGM et CYCLIC pour tous types d’applications, Incendie -sécurité, jouets, domotique, Mobilité, Energies renouvelables ...
La gamme LUCAS VRLA AGM plomb étanche est composée de 14 références en 6 et 12 volts allant de 2,1 Ah à 20 Ah
La gamme LUCAS VRLA AGM CYCLIC est composée de 17 références en 6 et 12 volts allant de 18 Ah à 260 Ah
|
|
|
|
|
LSLA7-12 |
LSLC75-12 |
LSLC125-12 |
Avantages clés :
- Étanches et sans entretien.
- Longue durée de vie - faible taux d'auto-décharge, idéale pour une utilisation saisonnière
- Utilisation en série parallèle
- Faciles à manipuler - Classées comme produits non dangereux.
- Compactes - Une densité d'énergie élevée permet des rapports puissance/volume et puissance/poids supérieure
- Régime de décharge élevé, résistance au cyclage 5 à 6 supérieurs qu’avec une batterie à électrolyte liquide conventionnelle.
- Large plage de température de fonctionnement.
- Construction robuste forte résistance aux vibrations.
- Longue durée de vie.
- Charge plus rapide qu’avec la technologie GEL ou Liquide.

|
Référence |
Tension |
Ah C20 |
Dimensions L x l x h (mm) |
Polarité |
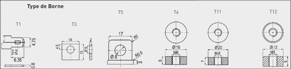
Bornes |
|
LSLA 2.1-6 |
6 |
2.1 |
97 x 25 x 55 |
+ Gauche |
T1 faston |
|
LSLA 2.8-6 |
6 |
2.8 |
65 x 32 x 103 |
+ Gauche |
T1 faston |
|
LSLA 4-6 |
6 |
4 |
70 x 47 x 106 |
+ Gauche |
T1 faston |
|
LSLA 12-6 |
6 |
12 |
151 x 50 x 98 |
+ Gauche |
T1 faston |
|
LSLA 1.2-12 |
12 |
1.2 |
97 x 43 x 55 |
+ Gauche |
T1 faston |
|
LSLA 2.3-12 |
12 |
2.3 |
178 x 34 x 64 |
+ Gauche |
T1 faston |
|
LSLA 2.9-12 |
12 |
2.9 |
79 x 56 x 105 |
+ Gauche |
T1 faston |
|
LSLA 3.2-12 |
12 |
3.2 |
134 x 67 x 64 |
+ Gauche |
T1 faston |
|
LSLA 4.5-12 |
12 |
4.5 |
90 x 70 x 106 |
+ Gauche |
T1 faston |
|
LSLA 5-12 |
12 |
5 |
90 x 70 x 106 |
+ Gauche |
T1 faston |
|
LSLA 7-12 |
12 |
7 |
151 x 65 x 98 |
+ Gauche |
T1 faston |
|
LSLA 9-12 |
12 |
9 |
151 x 65 x 98 |
+ Gauche |
T1 faston |
|
LSLA 10-12 |
12 |
10 |
151 x 65 x 117 |
+ Gauche |
T1 faston |
|
LSLA 12-12 |
12 |
12 |
151 x 98 x 98 |
+ Gauche |
T1 faston |
|
LSLA 20-12 |
12 |
20 |
180 x 76 x 167 |
+ Droite |
T3 languette |
|
LSLC 18-12 |
12 |
18 |
180 x 76 x 167 |
+ Droite |
T12 Insert 05 mm |
|
LSLC 22-12 |
12 |
22 |
180 x 76 x 167 |
+ Droite |
T12 Insert 05 mm |
|
LSLC 26-12 |
12 |
26 |
166 x 175 x 125 |
+ Droite |
T12 Insert 05 mm |
|
LSLC 34-12 |
12 |
34 |
196 x 130 x 180 |
+ Gauche |
T5 |
|
LSLC 42-12 |
12 |
42 |
197 x 165 x 170 |
+ Droite |
T12 Insert 05 mm |
|
LSLC 55-12 |
12 |
55 |
229 x 138 x 214 |
+ Gauche |
T6 insert 06 mm |
|
LSLC 75-12 |
12 |
75 |
260 x 168 x 233 |
+ Gauche |
T6 insert 06 mm |
|
LSLC 85-12 |
12 |
85 |
260 x 168 x 233 |
+ Gauche |
T6 insert 06 mm |
|
LSLC 104-12 |
12 |
104 |
304 x 165 x 210 |
+ Gauche |
T11 insert 08 mm |
|
LSLC 120-12 |
12 |
120 |
410 x 176 x 225 |
+ Gauche |
T11 insert 08 mm |
|
LSLC 125-12 |
12 |
125 |
326 x 176 x 225 |
+ Gauche |
T11 insert 08 mm |
|
LSLC 140-12 |
12 |
140 |
342 x 172 x 280 |
+ Gauche |
T11 insert 08 mm |
|
LSLC 150-12 |
12 |
150 |
485 x 172 x 240 |
+ Gauche |
T11 insert 08 mm |
|
LSLC 180-12 |
12 |
180 |
494 x 206 x 209 |
+ Gauche |
T11 insert 08 mm |
|
LSLC 200-12 |
12 |
200 |
522 x 240 x 223 |
+ Gauche |
T11 insert 08 mm |
|
L692 AGM |
12 |
220 |
518 x 276 x 242 |
+ Gauche |
Borne DIN |
|
LSLC 260-12 |
12 |
260 |
521 x 269 x 208 |
+ Gauche |
T11 insert 08 mm |
|
LSLC 200-6 |
6 |
200 |
307 x 165 x 210 |
+ Droite |
T11 insert 08 mm |

La gamme LUCAS VRLA GEL est une gamme de batteries stationnaires haut de gamme GEL et CYCLIC pour tous types d’applications, Incendie -sécurité, jouets, domotique, Mobilité, Energies renouvelables ...
|
Référence |
Tension |
Ah C20 |
Dimensions L x l x h (mm) |
Polarité |
Bornes |
|
LSLG 34-12 |
12 |
34 |
196 x 130 x 159 |
+ Gauche |
Insert M5 |
|
LSLG 45-12 |
12 |
42 |
197 x 165 x 170 |
+ Droite |
Insert M5 |
|
LSLG 50-12 |
12 |
55 |
230 x 138 x 205 |
+ Gauche |
Insert M5 |
|
LSLG 75-12 |
12 |
75 |
259 x 168 x 208 |
+ Gauche |
Insert M8 |
|
LSLG 104-12 |
12 |
104 |
306 x 168 x 208 |
+ Gauche |
Insert M8 |


